高放熱DIP8パッケージ採用 スイッチング電源用パワーIC「STR3A42xHD/MDシリーズ」
サンケン電気株式会社(埼玉県新座市北野3-6-3)は、電源IC「STR3A42xHD/MDシリーズ」のうち、「STR3A424HD」および「STR3A426MD」の量産を開始しました。
STR3A42xHD/MDシリーズは、パワーMOSFETと電流モード型PWM制御ICを1パッケージにしたPWM型スイッチング電源用パワーICです。
熱伝導率の高い樹脂を使った高放熱DIP8パッケージを採用しています。従来のDIP8(6ピン抜き)は片側2端子(7~8ピン)がドレイン端子でしたが、高放熱DIP8パッケージは、片側4端子(5~8ピン)すべてがドレイン端子となり、基板への放熱経路が拡大しました。
これにより、700V/1.4Ω品で比較した場合、従来のDIP8(6ピン抜き)の最大出力電力*が約23Wであったのに対し、高放熱DIP8パッケージの最大出力電力*は約32Wとなり大電力化が可能になりました。
*アダプタ(AC85~265V)を想定
負荷の状態に応じて自動的にグリーンモード、バースト発振モードに切り替えを行い、軽負荷から重負荷まで全負荷範囲で効率を向上します。
さらに、保護機能が充実しており、構成部品が少なく、コストパフォーマンスの高い電源システムを容易に構成できます。
冷蔵庫や洗濯機などの白物家電電源、AC/DCアダプタ、その他 SMPS向けの製品です。
詳細URL: https://www.semicon.sanken-ele.co.jp/newproduct/#P-66121

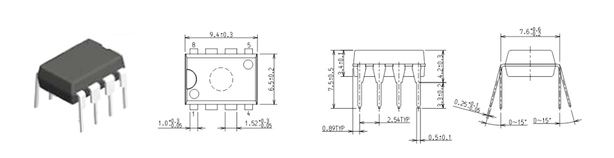
製品外観
パッケージ名称:DIP8
単位:mm、端子部Pbフリー(RoHS対応)

ラインアップ

用途
●AC/DC アダプタ
●白物家電
●その他 SMPS
特徴
●Pbフリー(RoHS対応)
●高放熱パッケージ
●回路効率の向上(ステップドライブ制御により、2次側整流ダイオードに従来よりも低耐圧品を選定でき、低VF化が可能)
●電流モードPWM制御
●ソフトスタート機能
●オートスタンバイ機能
●無負荷時入力電力PIN<15mW
●動作モード
●通常時:PWMモード
●軽負荷時:グリーンモード
●スタンバイ時:バースト発振モード
●ランダムスイッチング機能
●スロープ補正機能(サブハーモニック発振の防止)
●リーディング・エッジ・ブランキング機能
●バイアスアシスト機能
●保護機能
・過電流保護(OCP):パルス・バイ・パルス
2種類のOCPを搭載、入力補正機能付き
・タイマー内蔵過負荷保護(OLP):自動復帰
・過電圧保護(OVP):自動復帰
・過熱保護(TSD):ヒステリシス付き自動復帰
放熱性を向上
従来のDIP8パッケージの製品は、高圧端子(5ピン)と低圧端子(7、8ピン)の空間距離を確保するため、抜きピンを採用していました。STR3A42xHD/MDシリーズは、熱伝導率の高い樹脂を採用していることに加え、片側4端子(5~8ピン)すべてをドレイン端子とし基板への放熱経路を広くすることで、従来の6ピン抜きのDIP8パッケージよりも放熱性を大幅に向上させました。
下の図のように、高放熱DIP8パッケージのほうが広い範囲に熱を分散し、ケース温度の最大値を下げることができています。

ステップドライブ制御
ステップドライブ制御とは、負荷に応じてパワーMOSFETのゲートドライブをIC内部で最適に制御する機能です。
これにより、パワーMOSFETターンオン時の2次側整流ダイオードのサージ電圧を低減します。

グリーンモード
グリーンモードとは、負荷に応じて発振周波数を制御する機能です。負荷が軽くなるにつれて発振周波数を低減させます。
スタンバイ動作点まで負荷が軽くなると、バースト発振動作に切り替わります。
バースト発振動作期間では、負荷が軽くなるにつれてバースト発振回数が減少します。
これにより、スイッチング損失が低減し、中負荷~軽負荷での効率が向上します。

応用回路例

会社概要
社名 : サンケン電気株式会社
代表者 : 代表取締役社長CEO 高橋 広
所在地 : 〒352-8666 埼玉県新座市北野三丁目6番3号
設立 : 1946年9月5日
事業内容: 電子部品、デバイス、電子回路の製造および販売
電気機械器具の製造および販売
前各号に付帯する一切の業務
資本金 : 20,896,789,680円
URL : https://www.sanken-ele.co.jp/